Kepiye Peralatan Cyaniding Ngapikake Recovery Emas lan Keamanan Situs?

2026-01-08 - Ninggalake kula pesen

Yen sampeyan tau ngrasa kaya sianidasi "efektif, nanging ngepenakke," sampeyan ora mbayangno. Kimia kerjane-nanging kasunyatan saben dina bisa dadi kacau: bijih variabel, overspending reagen, mundhut karbon, downtime sing ora dikarepke, lan tekanan konstan kanggo operasi kanthi aman lan konsisten. Artikel iki ngilangi apaPeralatan Cyanidingkudu bener apa kanggo sampeyan, apa takon sadurunge sampeyan tuku, lan carane supaya kesalahane paling larang.


Abstrak

ModernPeralatan Cyanidingora mung pesawat saka tank-iku sistem sing disambungake dirancang kanggo ngontrol kondisi leaching, stabil Recovery, ngurangi sampah reagen, lan supaya sianida nangani katebak. Para panuku biasane berjuang karo papat titik nyeri: pemulihan sing ora konsisten, biaya operasi sing dhuwur, kontrol keamanan sing lemah, lan ngelu pangopènan. Ing ngisor iki, sampeyan bakal entuk tampilan modul cyaniding praktis, lantai tanduran (leaching, adsorption, desorption/electrowinning, detoks, lan instrumentasi), matriks pilihan, tips komisioning, lan bagean FAQ sing bisa digunakake sajrone obrolan pemasok.


Daftar Isi


Outline at a Glance

  • Terjemahake "Aku butuh cyanidation" menyang ruang lingkup peralatan sing lengkap lan bisa dikontrol.
  • Ngenali modul endi sing nyebabake kerugian sampeyan (pemulihan, reagen, karbon, utawa downtime).
  • Gunakake matriks prasaja kanggo mbandhingake solusi kanggo jinis bijih lan kendala.
  • Mlaku-mlaku menyang rapat-rapat supplier kanthi dhaptar priksa sing nampilake desain sing lemah kanthi cepet.

Titik Pain Buyer Nyata

Nalika wong tukuPeralatan Cyaniding, dheweke kerep ngomong "Aku butuh pemulihan sing luwih dhuwur." Sing biasane tegese: "Aku butuh pemulihan sing tetep dhuwur sanajan bijih diganti, operator muter, lan situs kasebut adoh." Mangkene titik nyeri sing katon maneh lan maneh:

  • Recovery swingsdisebabake variabilitas bijih, masalah grind, watesan oksigen, utawa kontrol pH sing kurang.
  • Biaya reagen creepsaka overdosis sianida utawa jeruk "mung kanggo aman."
  • Masalah karbonkayata fouling, attrition loss, utawa kinetika adsorpsi sing kurang.
  • Downtimesaka gagal pompa / katup, nyandhang slurry abrasive, utawa tata letak hard-kanggo-akses.
  • Stress safetybabagan panyimpenan sianida, dosis, lan kesiapan tanggap darurat.

Desain peralatan apik ora mbusak kabeh kerumitan, nanging kudu mbusak guesswork.


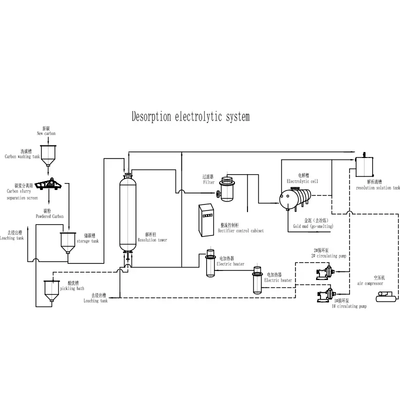
Apa "Cyaniding Equipment" Kalebu

Cyaniding Equipment

Minimal,Peralatan Cyanidingkudu dingerteni minangka sistem sing ndhukung fungsi kasebut:

  • Leaching: nyedhiyakake wektu, campuran, lan kontrol kimia kanggo pembubaran.
  • Penangkapan emas: adsorpsi menyang karbon aktif (CIP/CIL) utawa rute udan.
  • Recovery emas: desorption lan electrowinning (utawa sirkuit Recovery alternatif).
  • Detox lan penanganan tailing: ngurangi sisa sianida nganti tingkat sing bisa ditampa.
  • Instrumentasi lan kontrol: ngukur lan nyetabilake pH, oksigen terlarut, aliran, lan dosis.

Yen supplier mung ngomong babagan "tank", push kanggo nemtokake kabeh aliran lan titik kontrol. Cyanidation punika pangaksumo ing kahanan lab; iku ora ngapura ing kahanan lapangan semrawut.


Peta Proses sing Jelas saka Ore nganti Doré

Nalika saben tanduran beda-beda, umume rute sianidasi ngetutake balung mburi sing bisa dingerteni. Gunakake peta iki kanggo mriksa manawa paket sing diusulake wis rampung:

panggung Apa sing kudu digayuh Resiko "Didhelikake" khas
Pre-treatment (yen perlu) Nggawe emas bisa diakses lan nyegah lonjakan konsumsi sianida Nglirwakake preg-robbing, tembaga dhuwur, utawa sulfida reaktif
Leaching Campuran stabil, pH sing dikontrol, lan oksigen sing cukup Zona mati, transfer oksigen sing ora apik, pH sing ora stabil saka sistem kapur sing lemah
Adsorpsi (CIL/CIP) Nangkep emas sing larut kanthi efisien Ukuran karbon salah / cara transfer; mundhut karbon
Elusi / Desorpsi Strip emas saka karbon andal Pemanasan/aliran sing ora konsisten nyebabake efisiensi pengupasan sing kurang
Electrowinning / Smelting Waras lan ngasilake doré Sel cilik, manajemen elektrolit sing ora apik, masalah penanganan sludge
Detoks Ngurangi sisa sianida sadurunge dibuwang / tailing Desain ora cocog karo variabilitas throughput utawa kimia tailing

Modul Key lan Apa Priksa

1) Tank leaching lan agitasi

  • Apa desain campuran cocok kanggo Kapadhetan slurry lan abrasiveness Panjenengan?
  • Apa sistem bisa njaga pH stabil ing variabilitas bijih?
  • Apa tambahan oksigen praktis ing situs sampeyan (lan dianggep transfer oksigen ing desain)?
  • Apa tata letak ngidini gampang mriksa impeller, liner, lan bantalan?

2) Adsorpsi lan transfer karbon

  • Apa layar interstage cukup kuat kanggo nyegah karbon?
  • Apa transfer karbon dirancang kanggo nyuda kerusakan lan mundhut?
  • Apa desain loropaken kanggo reresik lan kontrol persediaan karbon?

3) Desorption lan electrowinning

  • Apa sirkuit elusi cocog karo pangarepan muatan karbon sampeyan?
  • Apa kontrol panas lan aliran stabil (ora "gumantung karo operator")?
  • Apa penanganan sludge direncanakake, ora improvisasi?

4) Dosis lan pangukuran sianida

  • Apa dosis otomatis kanthi interlocks, utawa mung manual?
  • Apa rencana kanggo kalibrasi lan pangopènan sensor ing lingkungan tambang nyata?
  • Apa titik sampling aman lan posisi sing apik, utawa ora dipikirake?

5) Detoksifikasi

  • Apa desain detoks adhedhasar target discharge lan kimia tailing sampeyan?
  • Apa bisa ngatasi lonjakan jangka pendek tanpa meksa mati?

Petunjuk praktis:Proposal sing katon luwih murah ing kertas asring nyurung biaya menyang operasi-sianida ekstra, jeruk ekstra, tenaga kerja pangopènan ekstra, lan prilaku operator sing luwih "heroik". Bill teka mengko.


Ukuran lan Spesifikasi Dasar

Sampeyan ora perlu dadi metallurgist kanggo takon babagan ukuran sing nglindhungi anggaran sampeyan. KanggoPeralatan Cyaniding, logika ukuran inti revolves watara throughput, wektu panggonan, lan transfer massa. Sadurunge nrima desain pungkasan, priksa manawa input kasebut kanthi jelas:

  • throughput desain(rata-rata lan puncak, plus variasi mangsan samesthine).
  • Target ukuran grindinglan apa mengkono yen gilingan drifts coarser.
  • Leach wektu panggonanlan apa adhedhasar tes utawa asumsi.
  • rencana pH lan alkalinitas(kalebu persiapan jeruk lan stabilitas dosis).
  • Strategi oksigen(udhara, oksigen, utawa ora ana) lan dampak sing dikarepake ing kinetika.
  • Persediaan karbon(pinten karbon, ing ngendi lenggahe, lan carane dipantau).

Yen panyedhiya ora bisa njlentrehake babagan iki kanthi basa sing gampang, gunakake minangka sinyal risiko - dudu teknis.


Kontrol Keamanan lan Sianida Sing Bener Ditahan

Safety ora poster ing tembok. Kanthi sianidasi, dibangun ing desain fisik lan kontrol rutin. kuwatPeralatan Cyanidingpaket biasane kalebu:

  • Isine panyimpenan lan transferkaro dalan kuthah cetha lan logika bunding.
  • Dosis interlockedsupaya sianida ora bisa ditambahake nalika kondisi tombol ora ketemu.
  • Desain sampling sing cethasing nyuda resiko cahya nalika mriksa rutin.
  • Siaga daruratminangka bagéan saka set prosedur operasi, dudu dokumen tambahan.

Saka perspektif panuku, proyek sampeyan prasaja: meksa proposal kanggo nuduhake persis carane wong sesambungan karo sistem. Ngendi padha ngadeg? Apa sing didemek? Kepiye carane ngisolasi peralatan? Kepiye carane nanggapi kegagalan segel pompa ing jam 2?


Saka Endi Biaya Operasional

Yen biaya saben ons mundhak munggah, biasane ora ana kegagalan sing dramatis - bocor cilik ing sistem kasebut. Ing cyanidation, driver biaya sing paling umum yaiku:

  • Konsumsi sianidamimpin dening mineral reaktif, Sifat overdosis, utawa puteran kontrol miskin.
  • Konsumsi jeruk nipisnalika kontrol pH ora stabil utawa kimia slurry ora dingerteni.
  • mundhut karbonliwat attrition, masalah layar, utawa desain transfer sing kurang apik.
  • Daya lan pangopènansaka over-agitation, bagean nyandhang kurang dirancang, lan tata letak hard-kanggo-layanan.
Gejala Kemungkinan Root Penyebab Fitur Peralatan sing Mbantu
Recovery irungnya nalika owahan biji ketidakstabilan pH/DO; campuran sing ora apik; wektu panggonan ora cukup Agitasi sing kuat, instrumentasi kontrol sing luwih apik, kapasitas tank sing fleksibel
Pengeluaran sianida terus mundhak Overdosis; mineral sing ngonsumsi sianida dhuwur; pangukuran miskin Dosis sing dikontrol, titik sampling sing dipercaya, interlocks sing luwih cerdas
Persediaan karbon "misterius" nyusut Gagal layar; mundhut mundhut; attrition Layar interstage awet, desain transfer sing lembut, akuntansi karbon sing jelas
Kerep mati Nyandhang bagean, sealing pump, masalah akses Bahan tahan nganggo, akses pangopènan, suku cadang standar

Reliabilitas lan Desain Pangopènan

Cyaniding Equipment

Sirkuit sianidasi bisa katon "lengkap" lan isih ora bisa dipercaya yen pangopènan ora dirancang. Takon carane supplier nyedhaki:

  • Pilihan bahankanggo zona slurry abrasive lan zona kontak sianida.
  • Akseskanggo layar, impeller, liner, pompa, lan instrumentasi.
  • Strategi spare partssing cocog karo kasunyatan situs sampeyan (wektu timbal, logistik, stok).
  • Standardisasikanggo ngurangi jumlah item nyandhang unik.

Ing operasi remot, "gampang dijaga" bisa luwih larang tinimbang "rada luwih efisien ing kertas."


Pitakonan Supplier Sampeyan Kudu Takon

Gunakake dhaptar priksa iki ing rapat-rapat. Iki dirancang kanggo mbukak proposal sing lemah kanthi cepet-tanpa ngowahi obrolan dadi debat.

  • Kang risiko bijih dianggep adoh, lan kang aktif direkayasa kanggo?
  • Apa input desain kanggo wektu manggon, kisaran pH, lan strategi oksigen?
  • Kepiye dosis sianida dikontrol, lan apa sing kedadeyan nalika sensor gagal?
  • Kepiye mundhut karbon dicegah lan diukur ing operasi rutin?
  • Apa rencana akses pangopènan kanggo layar, agitator, lan pompa?
  • Apa sing dianjurake operator mriksa saben shift, lan carane padha digawe aman?
  • Dhukungan komisi apa sing kalebu, lan pelatihan operator apa sing diwenehake?

Yen sampeyan ngevaluasi vendor, bisa mbantu ngobrol karo pabrikan sing bisa nyedhiyakake paket cyanidation lengkap lan ndhukung rincian integrasi. Contone, Qingdao EPIC Mining Machinery Co.,Ltd.nyedhiyakake solusi peralatan pangolahan pertambangan ing ngendi paket sianidasi dianggep minangka sistem-leaching, adsorpsi, pemulihan, lan kontrol-tinimbang pesawat tank sing dicopot.


FAQ

Apa sing nggawe Peralatan Cyaniding "modern" tinimbang dhasar?

Desain modern fokus ing kontrol lan bisa diulang: dosis stabil, pangukuran sing dipercaya, sampling sing luwih aman, proteksi nyandhang sing kuat, lan tata letak sing nyuda improvisasi operator. Tujuane yaiku pemulihan sing konsisten kanthi kurang limbah reagen lan luwih sithik shutdown.

Bisa Cyaniding Equipment nangani bijih kurang kelas ekonomi?

Bisa, nanging mung nalika sirkuit direkayasa watara kinetika lan profil konsumsi. Operasi kelas rendah cenderung sensitif marang overspending lan downtime reagen, mula sistem kontrol, desain nyandhang, lan manajemen karbon dadi penting banget.

Kepiye carane ngerti yen aku butuh CIP utawa CIL?

Pilihan biasane gumantung ing kinetika leach lan carane cepet dipun bibaraken emas kudu dijupuk. Yen emas dissolves cepet lan pengin dijupuk langsung, CIL bisa atraktif. Yen leaching entuk manfaat saka pamisahan sadurunge adsorpsi, CIP bisa luwih pas. Tes metalurgi lan watesan situs praktis kudu nggawe keputusan kasebut.

Napa konsumsi sianida kadhangkala mundhak?

Penyebab umum kalebu owah-owahan mineral bijih, kontrol pH sing kurang, watesan oksigen sing ora dikarepake, utawa kontaminasi ing banyu proses. Rencana kontrol sing apik ditambah titik sampling sing dipercaya nggawe spike iki luwih gampang diagnosa lan dibenerake kanthi cepet.

Apa sing kudu aku prioritasake yen situsku adoh lan kurang staf?

Prioritas perawatan lan otomatisasi sing nyuda penanganan manual: layar sing tahan lama, tata letak peralatan sing bisa diakses, spare standar, dosis sing dikunci, lan rutinitas operasi sing jelas sing ora gumantung ing "operator pakar siji."


Bungkus

tukuPeralatan Cyanidingpungkasane babagan nyuda kahanan sing durung mesthi. Kimia bisa dibuktekake, nanging bathi sampeyan gumantung ing kontrol sing konsisten, pangopènan praktis, lan safety sing bisa digunakake ing owah-owahan nyata karo wong nyata. Yen sampeyan ngrancang tanduran anyar utawa nganyarke sirkuit sing wis ana, nggawa kasunyatan bijih, target throughput, lan watesan situs menyang meja-lan ngeyel proposal sing nganggep cyanidation minangka sistem sing bisa dikontrol.

Siap ngowahi rencana sianidasi dadi operasi sing dipercaya lan stabil?Nuduhake jinis bijih, kapasitas target, lan kahanan situs, lanhubungi kitakanggo ngrembug konfigurasi peralatan praktis sing cocog karo pabrik lan operator sampeyan.

Kirim Pitakonan

X
Kita nggunakake cookie kanggo menehi pengalaman browsing sing luwih apik, nganalisa lalu lintas situs lan nggawe konten pribadi. Kanthi nggunakake situs iki, sampeyan setuju kanggo nggunakake cookie. Kebijakan Privasi