English
Español
Português
русский
Français
日本語
Deutsch
tiếng Việt
Italiano
Nederlands
ภาษาไทย
Polski
한국어
Svenska
magyar
Malay
বাংলা ভাষার
Dansk
Suomi
हिन्दी
Pilipino
Türkçe
Gaeilge
العربية
Indonesia
Norsk
تمل
český
ελληνικά
український
Javanese
فارسی
தமிழ்
తెలుగు
नेपाली
Burmese
български
ລາວ
Latine
Қазақша
Euskal
Azərbaycan
Slovenský jazyk
Македонски
Lietuvos
Eesti Keel
Română
Slovenski
मराठी
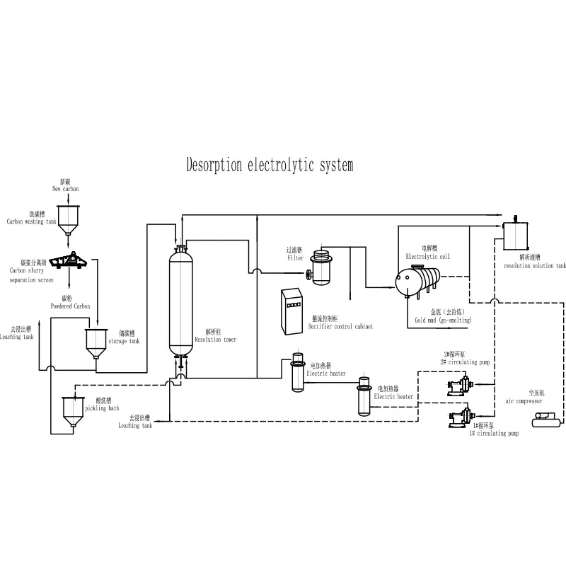
Srpski језик Sistem Elektrolitik Desorpsi minangka teknologi penting ing ekstraksi emas modern, utamane ing proses karbon-in-pulp (CIP) lan karbon-in-leach (CIL). Blog iki nylidiki carane sistem bisa, komponen, kaluwihan, lan apa wis dadi standar ing Recovery emas efisien. Kita uga nyorot kepiye perusahaan kaya ......
Waca liyaneKlasifikasi spiral submerged minangka komponen penting ing pangolahan mineral sing ningkatake pamisahan lan klasifikasi partikel ing macem-macem industri. Ing artikel iki, kita bakal njelajah fungsi, kaluwihan, lan aplikasi saka klasifikasi spiral submerged, uga carane solusi EPIC kontribusi kanggo ......
Waca liyaneTangki agitasi leaching minangka peralatan penting ing industri pertambangan, utamane kanggo ngekstrak logam sing terkenal saka bijih liwat proses leaching. Ing blog iki, kita bakal njelajah pentinge, prinsip kerja, lan macem-macem jinis tank agitasi leaching sing digunakake ing industri pertambanga......
Waca liyaneKlasifikasi Spiral Submerged minangka piranti kritis ing pangolahan mineral, dirancang kanggo misahake partikel adhedhasar ukuran lan kapadhetan liwat sedimentasi gravitasi lan gerakan mekanik. Digunakake kanthi akeh ing pertambangan, cuci pasir, lan sistem klasifikasi industri, mesin iki njamin gra......
Waca liyaneThe Circular High Rate Inclined Plate Thickener (CHRIPT) minangka piranti penting sing digunakake ing industri pertambangan lan pangolahan mineral. Dikenal amarga kemampuan kanggo misahake barang padhet saka cairan kanthi efisien, thickener iki penting ing industri kayata perawatan banyu limbah, pan......
Waca liyaneCylindrical Froth Flotation Cell ngrevolusi pangolahan mineral kanthi desain sing dioptimalake, tingkat pemulihan sing ditingkatake, lan kinerja sing efisien energi. Pandhuan lengkap iki nylidiki carane sel flotasi silinder beda karo model tradisional, prinsip kerja, kaluwihan, aplikasi, lan ngapa p......
Waca liyane