Apa Sistem Elektrolitik Desorpsi lan Napa Penting kanggo Ekstraksi Emas Modern

2026-04-21 - Ninggalake kula pesen

IngSistem Elektrolitik Desorpsiminangka teknologi penting ing ekstraksi emas modern, utamane ing proses karbon-in-pulp (CIP) lan karbon-in-leach (CIL). Blog iki nylidiki carane sistem bisa, komponen, kaluwihan, lan apa wis dadi standar ing Recovery emas efisien. Kita uga nyorot carane perusahaan senengEPICnyopir inovasi ing lapangan iki. Ing pungkasan, sampeyan bakal duwe pangerten lengkap babagan carane sistem iki nambah produktivitas, nyuda biaya, lan nambah tarif pemulihan.

Desorption Electrolytic System

Daftar Isi


Apa Sistem Elektrolitik Desorpsi

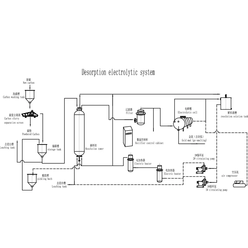
A Sistem Elektrolitik Desorpsipunika sistem Recovery emas majeng digunakake kanggo extract emas saka karbon aktif. Iki digunakake digunakake ing operasi pertambangan ing ngendi emas diserap menyang partikel karbon sajrone proses leaching.

  • Desorpsi: Mbusak emas saka karbon nggunakake solusi suhu dhuwur lan tekanan dhuwur
  • Elektrolisis: Mbalekake emas saka solusi menyang katoda
  • Sistem loop tertutup: Njamin efisiensi lan kerugian minimal

Sistem iki penting kanggo ningkatake efisiensi pemulihan lan nyuda biaya operasional, dadi komponen inti ing pabrik pangolahan emas modern.


Cara Kerja Sistem Elektrolitik Desorpsi

Prinsip kerja aSistem Elektrolitik Desorpsikalebu rong tahap utama:

  1. Tahap desorpsi:Karbon sing diisi emas diolah nganggo larutan sianida alkali panas, ngeculake ion emas.
  2. Tahap elektrolisis:Solusi sing sugih emas ngliwati sel elektrolitik ing ngendi emas disimpen ing katoda wol baja.

Proses kasebut njamin efisiensi dhuwur lan ngidini operasi terus-terusan, mula sistem saka perusahaan kayaEPICdigunakake digunakake ing aplikasi industri.


Komponen Utama Sistem

Komponen Fungsi
Kolom desorpsi Nahan karbon aktif lan nggampangake mbusak emas
Sel Elektrolitik Mbalekake emas liwat elektrolisis
Penukar panas Njaga suhu sing dibutuhake
Sistem Filter Mbusak impurities saka solusi
Sistem Kontrol Ngotomatisasi operasi lan ngawasi paramèter

Saben komponen nduweni peran penting kanggo njamin sistem operasi kanthi efisien lan konsisten.


Kaluwihan lan Fitur Teknis

  • Tingkat pemulihan emas dhuwur (nganti 98%)
  • Konsumsi energi sing sithik
  • Operasi otomatis kanggo nyuda biaya tenaga kerja
  • Desain kompak kanggo efisiensi ruang
  • Ramah lingkungan kanthi emisi minimal

Produsen kayaEPICterus ngoptimalake sistem iki kanggo nyukupi panjaluk industri sing terus berkembang, njamin kinerja lan linuwih sing luwih apik.


Aplikasi ing Processing Emas

IngSistem Elektrolitik Desorpsiakeh digunakake ing:

  • Pabrik tambang emas
  • Operasi CIP (Carbon-in-Pulp).
  • Proses CIL (Carbon-in-Leach).
  • Recovery tailing emas

Versatility ndadekake cocok kanggo pertambangan industri skala gedhe lan operasi cilik sing nggoleki efisiensi.


Bandhingake karo Cara Tradisional

Fitur Sistem Elektrolitik Desorpsi Cara Tradisional
Efisiensi dhuwur Moderate
Otomasi Kanthi otomatis Manual utawa semi-otomatis
biaya Biaya jangka panjang sing luwih murah Biaya operasional sing luwih dhuwur
Dampak Lingkungan sedheng Luwih dhuwur

Cetha, sistem modern menehi kaluwihan sing signifikan tinimbang teknik pemulihan emas tradisional.


Pandhuan Pilihan kanggo Pembeli

Nalika milih aSistem Elektrolitik Desorpsi, nimbang faktor ing ngisor iki:

  • Kapasitas pangolahan
  • Tingkat otomatisasi
  • Efisiensi energi
  • Reputasi pabrikan (contone, EPIC)
  • Dhukungan sawise-sales

Milih sistem sing bener njamin sukses operasional jangka panjang lan ngasilake investasi maksimal.


Maintenance lan Tips Operasional

  • Ajeg mriksa pipa lan katup
  • Monitor tingkat suhu lan tekanan
  • Resik sel elektrolitik kanthi periodik
  • Ganti komponen sing rusak kanthi cepet
  • Tindakake pandhuan pabrikan kanthi ketat

Pangopènan sing tepat bisa nambah umur sistem lan njamin kinerja sing konsisten.


FAQ

1. Apa tujuan utama Sistem Elektrolitik Desorpsi?

Tujuan utamane yaiku kanggo ngekstrak lan mbalekake emas saka karbon aktif kanthi efisien.

2. Sepira efisien sistem kasebut?

Umume sistem entuk tingkat pemulihan emas luwih saka 95%, gumantung saka kahanan operasi.

3. Apa sistem kasebut ramah lingkungan?

Ya, sistem modern dirancang kanggo nyuda emisi lan nyuda limbah kimia.

4. Apa bisa disesuaikan?

Ya, perusahaan kaya EPIC nawakake solusi sing bisa disesuaikan adhedhasar syarat pangolahan.

5. Industri apa sing nggunakake sistem iki?

Utamane industri pertambangan emas, nanging uga ing aplikasi pemulihan logam mulia.


Kesimpulan

IngSistem Elektrolitik Desorpsinggantosi terobosan ing teknologi Recovery emas, nawakake efficiency unmatched, linuwih, lan kinerja lingkungan. Kanthi kemajuan terus-terusan saka pimpinan industri kayaEPIC, sistem iki dadi tambah penting kanggo operasi pertambangan modern. Yen sampeyan pengin ngoptimalake proses ekstraksi emas lan nambah bathi, nandur modal ing sistem sing berkualitas minangka pilihan sing cerdas.Hubungi kitadina iki kanggo mangerteni sing luwih lengkap babagan carane kita bisa nyedhiyani solusi selaras kanggo kabutuhan.

Kirim Pitakonan

X
Kita nggunakake cookie kanggo menehi pengalaman browsing sing luwih apik, nganalisa lalu lintas situs lan nggawe konten pribadi. Kanthi nggunakake situs iki, sampeyan setuju kanggo nggunakake cookie. Kebijakan Privasi