Sistem elektrolit
  • Sistem elektrolit Sistem elektrolit

Sistem elektrolit

Minangka salah sawijining pabrikan profesional, epik pengin nyedhiyakake sistem elektrolit sing apik banget. Lan kita bakal nawakake layanan sing paling apik sawise sale lan kiriman pas wektune.

Kirim Pitakonan

Deskripsi Produk

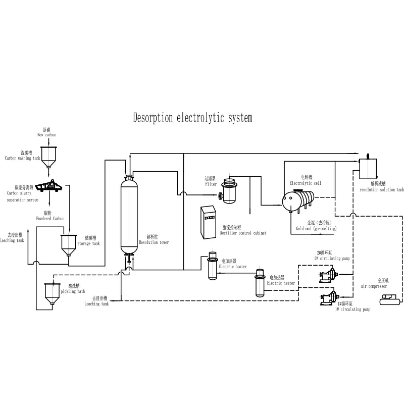
Dadi pabrikan sing profesional, tujuane epik kanggo nawakake sistem elektrolitetik sing dhuwur. Kita janji bakal menehi dhukungan kanthi dhukungan lan kiriman sing paling apik. Ing nambah luwih gampang kanthi sistem anion karbon adsorption sing diaktifake, saengga Au (CN) 2 "Ganti saka karbon sing diisi kanthi tenanan emas. Cairan sing dipikolehi kanthi tenanan kanggo entuk emas sing kuat.

1, suhu dhuwur, tekanan dhuwur, ora ana kontrol sianida, kanthi elfisien, konsumsi bow, cepet

Karakteristik: 

Efisiensi A.High: Nalika kelas karbon sing diisi emas 3000 g / t, tingkat desoorption bisa nganti luwih saka 96%, lan kelas karbon sing kurang bisa dibagi kaping 3-4 dibandhingake kanthi elektrolit

Piranti:

B.Fast: Suhu elektrolisis bisa paling dhuwur tinimbang 150 ℃ (30-55 ℃ Model liyane) ing model liyane) sistem elektrolisis nganti 0.5mpa (sebaliknya wektu elektrolisis banget, umume 12 h, cendhak 

Konsumsi 3: C.Low Konsumsi: Suhu elektrolit sing deso padha, ora ana transfer panas, amarga karya sing cepet, saéngga konsumsi daya 1 / 2-1 / 4 sistem konvensional.

2 .. Ora ana sian

3, lumpur emas sing dhuwur, ora perlu mbalikke elektrolisis, ekstraksi gampang;

4, Kontrol otomatis: Secara khusus sistem kontrol tingkat Cairan, sistem kontrol suhu lan sistem kontrol otomatis;

5, safety: Kanthi langkah-langkah perlindungan keamanan triple, yaiku sistem kasebut dhewe cerdas, tekanan autoratik mbatesi mekanisme ngeculake tekanan, katup safety asuransi.

Hot Tags: Sistem elektrolit
Kirim Pitakonan
Mangga bebas menehi pitakon ing formulir ing ngisor iki. Kita bakal mangsuli sampeyan ing 24 jam.
Produk sing gegandhengan
X
Kita nggunakake cookie kanggo menehi pengalaman browsing sing luwih apik, nganalisa lalu lintas situs lan nggawe konten pribadi. Kanthi nggunakake situs iki, sampeyan setuju kanggo nggunakake cookie. Kebijakan Privasi